产品分类

联系我们

电话:029-86691315
传真:029-86691316
邮箱:1620700@qq.com
地址:

 

YA系列氨用压力表
销售热线:029-86691315 029-86691316

YA系列氨用压力表 --> 产品介绍:

结构原理:仪表由导压系统(包括接头、弹簧管等)、传动机构、指示装置和外壳组成。当被测介质作用于弹簧管时,其管端产生相应的弹性变形--位移,经传动结构放大后,由指示装置在度盘上把被测压力指示出来。

产品应用:氨压力表用于测量对普通碳系钢、合金结构钢、奥氏体类不锈钢及锡铅合金钎焊料无腐蚀作用,非结晶和凝固的各介质的液体、气体或其混合物等的压力。

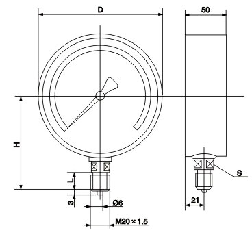
【YA系列氨压力表】外形尺寸:
单位(Unit):mm

型号 D H L S
YA-100 100 87 20 17
YA-150 150 117

要技术指标:
        ○标度范围 

型号  标度范围(Mpa)
YA-100
YA-150
0~0.1;0~0.16;0~0.25;0~0.4;0~0.6;0~1;0~1.6;0~2.5;0~4;0~6;0~10;0~16;0~25;0~40;0~60;-0.1~0;-0.1~0.06;-0.1~0.15;-0.1~0.3;-0.1~0.5;-0.1~0.9;-0.1~1.5;-0.1~2.4

        ○精确度等级:1.6

        ○使用环境条件:-40~70℃,相对湿度不大于90%

        ○温度影响:不大于0.4%/10℃(使用温度偏离20±50℃)

        ○重量:0.6g(YA-100)

              0.9kg(YA-150)

 
上一个产品:YB-160A/B/C/D精密压力表
Copyright(C) 西安西仪压力仪表有限公司 本站网络实名:活塞式压力计 西安仪表厂
销售热线:029-86691315 传真:029-86691316 E-mail:xayibiao#163.com(发邮件时请将#换为@) 陕ICP备2024054014号陕ICP备2024054014号